Marine : Informations & Techniques
Accueil
Ports
Marées
Informations
Techniques
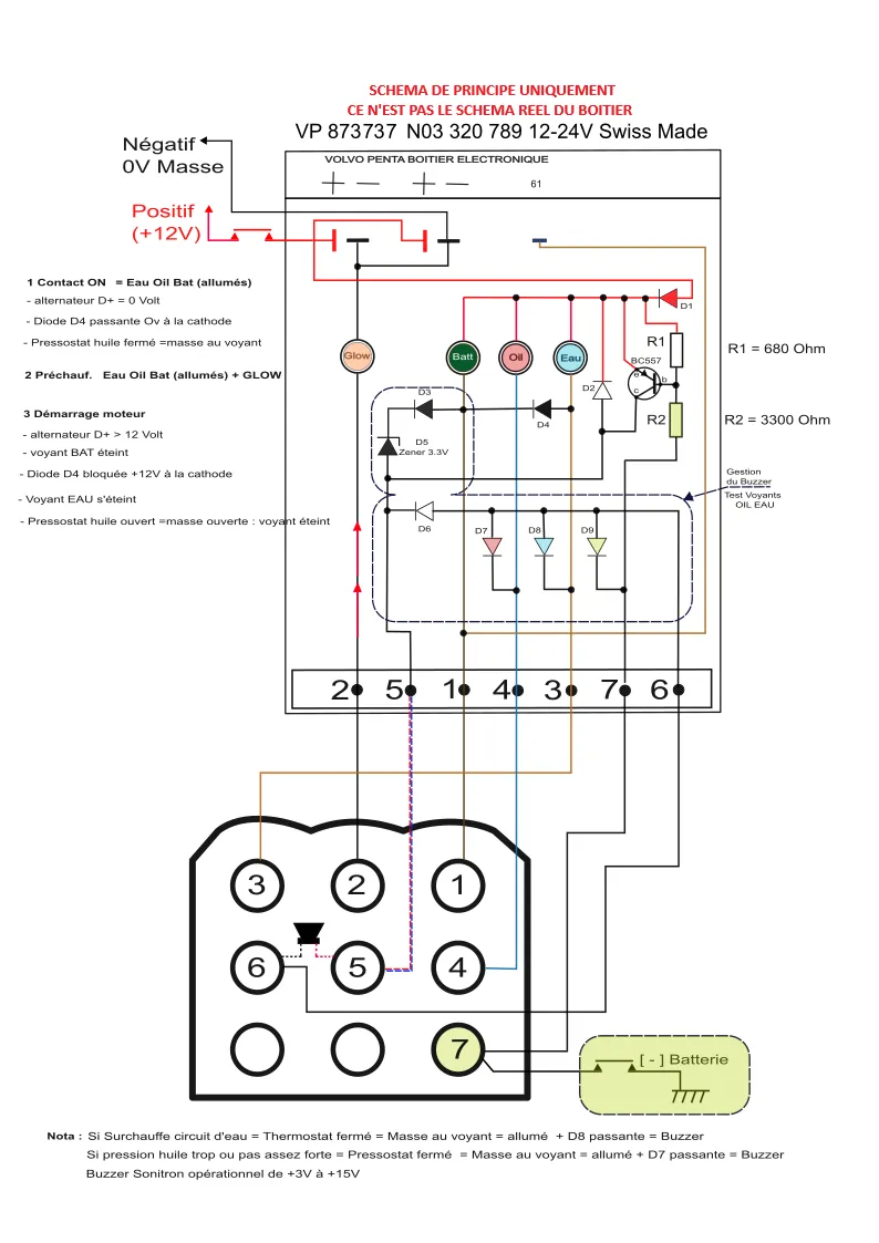
Schéma Electrique N°3 Boîtier Electronique du tableau de bord VOLVO 18D
Schéma relevé sur FIRST 31.7
Référence VOLVO PENTA VP873737